|
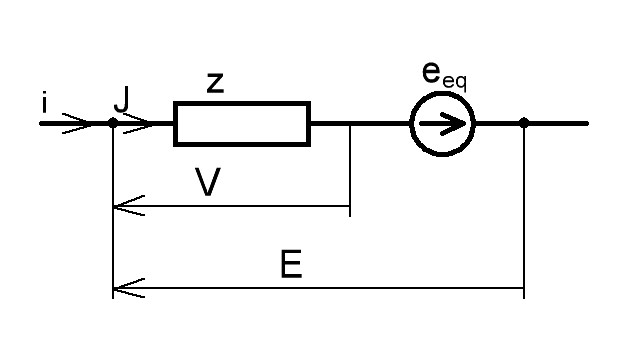
For calculation
of electric circuit by numerical methods the equations of the generalised
electric branch are used which is presented on fig.1 1 (also known under other
names : branch Kirhgoff, a primitive branch, is elementary a branch, etc.).


Fig 1: The circuit and the equation of the generalised
branch
It is possible to present the
equation of the generalised branch in two forms:
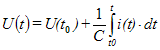
|
E=
z·(i+Ieq),
where Ieq = (I
- e/z)
|
E + eeq
= z·i,
where eeq=
e –
z ·
I |
Except the generalised branch it is
possible to use primitive branches. For the analysis by methods of nodes
potentials use a node branch. For the analysis by mesh-current method uses a
contour branch
|

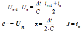
primitive node branch I =
Y·E |

primitive contour branch
e =
z ·
i |
--------------------------------------------------------------------------------------------------------------------------------------------------------------------------------------------------------------------------
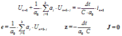
Electrical models for the ODE in the form of generalized branch
Equivalent circuit of linear capacitance


|
Euler's method of
1-st order |
backward
differential formula |
|

 |
 |
method a trapeze


Iterative equivalent
circuit of nonlinear capacity
implicit method of 2-nd order and method of direct iterations

----------------------------------------------------------------------------------------------------------------------------------------------------------------------------------
Electrical models for the PDE

Approximation by central differences

where
B-=B(x-h,t); B=B(x,t); B+=B(x+h,t);
ΔB=B(x,t+Δt) - B(x,t).
equivalent circuit of the differential equation

------------------------------------------------------------------------------------------------------------------------------------------------------------------------------------------
|