Diakoptique maille

 

 

 

 

 

Up

 

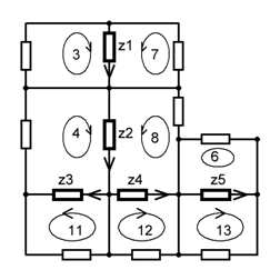
          Nous examinerons le calcul par parties les schémas des mailles à l'exemple du schéma amené sur fig. 1à. Pour la simplicité les sources dans les branches ne sont pas représentées. Les branches éloignées sont mises en relief sur le schéma par les lignes épaissies.  Après l'éloignement de ces branches le schéma se désagrège sur trois sous-schémas, qui  représente sur fig. 1b. Au lieu des branches exclues dans les sous-schémas on installe les branches de court-circuit. Si dans les branches éloignées il y avait des sources de tension, ces sources des branches sont transférées aux branches de court-circuit.

                 Ris2-5-1b.GIF

Ïîäïèñü: à)

 

Fig. 1. division du schéma en parties.

Ïîäïèñü: b)

Pour le calcul par parties il faut accomplir le travail préparatoire :

1. Toutes les mailles sont numérotées. Il faut faire cela pour l'identification univoque des mailles dans le schéma entier. Sur fig. 1b le numérotage des mailles de part en part pour tout le schéma, bien que l'on peut numéroter les mailles pour chaque sous-schéma séparément. Dans ce cas il faut introduire l'indice supplémentaire pour le numéro du sous-schéma.

2. On enregistre les mailles de frontière. Leurs numéros doivent se trouver dans la liste séparée. Sur fig. 1b les mailles de frontière sont mises en relief par de plus grandes circonférences.

3. On numérote les branches du lien, qui étaient éloignées.

4. On donne les directions des mailles de frontière et les branches du lien.

Ensuite, la succession des calculs s'aligne en ordre suivant :

1. Après les désignations préparatoires on accomplit le calcul des sous-schémas isolés pour la définition des courants de mailles. Si les branches des sous-schémas sont décrites en forme avec la source équivalente de tension, les vecteurs des courants des mailles dans chaque sous-schéma seront définis selon les formules :

 im1  =  ymm1 · em1,

 im=  ymm2 · em2,

  im3  =  ymm3 · em3,

( 1)

où ymm1= zmm1-1 ,    ymm2 = zmm2-1,   ymm3 = zmm3-1 – les matrices des conductibilités des mailles , inverses pour des matrices des résistances des mailles, em1, em2, em3 – les vecteurs des sources des tensions des mailles.

 

2. On définit les vecteurs des courants mailles dans les mailles de frontière. Les mailles de frontière présentent la réseaux des intersections. Dans les vecteurs de courants mailles définis selon (1), il faut laisser seulement ces composants, qui se rapportent aux mailles de frontière. On peut accomplir cela avec l'aide de la multiplication matricielle :

im1=A1(1) · im1,

im1=A1(2) · im2,

im1=A1(3) · im3,

(2)

 

 

 

3

4

 

 

 

6

7

8

 

 

 

11

12

13

 

1

 

 

 

 

5

 

 

 

 

 

9

 

 

 

A1(1)  =

2

 

 

 

A1(2)  =

6

1

 

 

 

A1(3) =

10

 

 

 

 

3

1

 

 

 

7

 

1

 

 

 

11

1

 

 

 

4

 

1

 

 

8

 

 

1

 

 

12

 

1

 

 

 

 

 

 

 

 

 

 

 

 

 

13

 

 

1

 

3. On définit les tensions nodales  des branches du lien, qui étaient transférés aux mailles. Ceux-ci on peut faire au moyen des matrices topologiques :

 

 

z1

z2

z3

 

 

z1

z2

z4

z5

 

 

 

z3

z4

z5

 

3

1

 

 

 

6

 

 

 

1

 

 

11

1

 

 

A2(1)  =

4

 

1

1

A2(2)  =

7

1

 

 

 

 

A2(3) =

12

 

1

 

 

 

 

 

 

 

8

 

1

1

 

 

 

13

 

 

1

 

Fig. (2) illustre le contenu des matrices amenées. Par exemple, la ligne de matrice A2 (1) désignée par le chiffre 4 contient  chiffre 1 à colonnes z2 et z3. Cela signifie que l'on transfère à la 4-ème maille les tensions des 2-èmes et 3-èmes branches du lien.

Fig. 2. calcul des sous-schémas (a) et la réception de la décision unie (b).

4.  Les sous-schémas se lient. Les tensions des branches du lien s'assimilent aux tensions des branches de frontière des sous-schémas :

 

 

z1

z2

z3

z4

z5

 

 

z1

z2

z3

z4

z5

 

 

 

z1

z2

z3

z4

z5

 

 

z1

1

 

 

 

 

 

z1

1

 

 

 

 

 

 

z3

 

 

1

 

 

 

A3(1)  =

z2

 

1

 

 

 

A3(2)  =

z2

 

1

 

 

 

 

A3(3) =

z4

 

 

 

1

 

 

 

z3

 

 

1

 

 

 

z4

 

 

 

1

 

 

 

z5

 

 

 

 

1

 

 

 

 

 

 

 

 

 

z5

 

 

 

 

1

 

 

 

 

 

 

 

 

 

5. On peut réduire toutes les transformations topologiques à une matrice À:

  À(1) = A1(1) · A2(1) · A3(1),

 À(2) = A1(2) · A2(2) · A3(2),

  À(3) = A1(3) · A2(3) · A3(3),

 

(3)

 

À(1)

 

 À    =     

À(2)

 

 

À(3)

 

Si accomplir tous les calculs selon (3), nous recevrons l'expression numérique suivante de la matrice :

 

 

z1

z2

z3

z4

z5

 

1

 

 

 

 

 

 

2

 

 

 

 

 

 

3

1

 

 

 

 

 

4

 

1

1

 

 

 

5

 

 

 

 

 

A =

6

 

 

 

 

1

 

7

1

 

 

 

 

 

8

 

1

 

1

 

 

9

 

 

 

 

 

 

10

 

 

 

 

 

 

11

 

 

1

 

 

 

12

 

 

 

1

 

 

13

 

 

 

 

1

Comme on voit du contenu de la matrice A, dans les colonnes, énumérant les branches du lien, par chiffre 1 s'enregistrent ces mailles, dans qui ces liens sont entrés. Si la direction de la maille ne coïncide pas avec la direction de la branche du lien, on met le chiffre -1.

Avec l'aide de la matrice A on peut trouver les sources du courant influençant les branches de frontière de la réseaux des intersections du côté des sous-schémas isolés :

I = -At ·im,

im – les courants mailles des sous-schémas isolés.

   6. Le calcul de la matrice conductivités les reseaux des intersections est accompli aussi avec l'aide de la matrice A. Ceux-ci  de la conductibilité résultent de maille  conductivités  avec le supplément  conductivités  des branches de frontière du lien :

Y = At · ymm · A + yfr ,

   7. Nous trouvons les tensions sur les branches du lien :

U = Z · I.

Z = Y-1. Le calcul de la matrice inverse pas absolument, puisque U peut être calculé, par exemple, par méthode le Gauss.

   8. On calcule les sources mailles des tensions provoquées par la liaison des sous-schémas:

Δe = A· U.

   9. On calcule les accroissements des courants mailles provoqué par la liaison des sous-schémas:

Δi = ymm · Δe.

    10. Le calcul des courants définitifs mailles dans le schéma:

im~ = im + Δi.

 On peut réduire toutes les étapes à une formule pour le calcul par parties les schémas des mailles :

im~= (1 – ymm · A · Z · At )·ymm · em

Z = (At · ymm · A + yfr )-1,  la matrice des résistances de la réseaux des intersections, ymm – la matrice des conductivités des mailles des sous-schémas isolés.

 

Ensuite on amène l'algorithme Scilab pour la formation des matrices topologiques, pour le calcul des sous-schémas et pour le calcul du schéma entier selon les formules mentionnées ci-dessus :

 

clear;

R1=1;R2=2;R3=3;R4=4;R5=5;R6=6;R7=7;R8=8;R9=9;R10=10;R11=11;

e1=1;

 

// L'entrée de données pour le 1-er sous-schéma

ev1=[e1,0,0,0,0,0];

z1=[R1,R2,R3,R4,R5,R6];

z1=diag(z1);

// La matrice mailles du 1-er sous-schéma

C1=[1, 0, 0, 0; 0, 0, 1, 0; 1, 0,-1, 0; -1, 1, 0, 0; 0, 0,-1, 1; 0,-1, 0, 1];

// Le calcul des résistances mailles et f.e.m. des mailles de 1-er sous-schéma

zm1=C1'*z1*C1; em1=C1'*ev1';

 

// L'entrée de données pour le 2-ème sous-schéma

ev2=[e1,0,0,0,0,0,0,0];

z2=[R1,R2,R3,R4,R5,R6,R7,R8];

z2=diag(z2);

// La matrice mailles du 2-ème sous-schéma

C2=[0, 0, 1, 0; 1, 0, 0, 0; -1, 0, 1, 0; 1, 0, 0, 0; 0, 0,-1, 1; -1, 1, 0, 0; 0, -1, 0, 1; 0, 1, 0, 0];

// Le calcul des résistances mailles et f.e.m. des mailles de 2- ème sous-schéma

zm2=C2'*z2*C2; em2=C2'*ev2';

 

// L'entrée de données pour le 3-ème sous-schéma

ev3=[e1,0,0,0,0,0,0,0,0,0,0];

z3=[R1,R2,R3,R4,R5,R6,R7,R8,R9,R10,R11];

z3=diag(z3);

// La matrice mailles du 2-ème sous-schéma

C3=[0, 0, 1, 0, 0; 0, 0,-1,-1, 0; 0, 0, 0, 1,-1; 0, 0, 0, 0, 1; 1, 0, 1, 0, 0; 0, 1, 0, 1, 0;

1, 0, 0, 0, 0; 1, 1, 0, 0, 0; 0, 1, 0, 0, 0; 1, 0, 0, 0, 0; 0, 1, 0, 0, 0];

 

// Le calcul des résistances mailles et f.e.m. des mailles de 3- ème sous-schéma

zm3=C3'*z3*C3; em3=C3'*ev3';

 

// L'entrée des matrices conformément aux points 2-4

A11=[0,0; 0,0; 1,0; 0,1];

A12=[0,0,0; 1,0,0; 0,1,0; 0,0,1];

A13=[0,0,0; 0,0,0; 1,0,0; 0,1,0; 0,0,1];

A21=[1,0,0; 0,1,1];

A22=[0,0,0,1; 1,0,0,0; 0,1,1,0];

A23=[1,0,0; 0,1,0; 0,0,1];

A31=[1,0,0,0,0; 0,1,0,0,0; 0,0,1,0,0];

A32=[1,0,0,0,0; 0,1,0,0,0; 0,0,0,1,0; 0,0,0,0,1];

A33=[0,0,1,0,0; 0,0,0,1,0; 0,0,0,0,1];

 

A1=A11*A21*A31; A2=A12*A22*A32; A3=A13*A23*A33;

A=[A1;A2;A3];

 

// Le calcul des conductivités des mailles frontière des sous-schémas

ym1=zm1^(-1); ym2=zm2^(-1); ym3=zm3^(-1);

im1=ym1*em1; im2=ym2*em2; im3=ym3*em3;

 

y1=A1'*ym1*A1; y2=A2'*ym2*A2; y3=A3'*ym3*A3;

y=y1+y2+y3;

// Le supplément conductivités des branches de frontière du lien

for i=1:5,y(i,i)=y(i,i)+1;end;

// nous trouvons les sources du courant influençant les branches de frontière de la réseaux des

// intersections du côté des sous-schémas isolés

I1=-A1'*im1; I2=-A2'*im2; I3=-A3'*im3;

I=I1+I2+I3;

// Nous trouvons les tensions sur les branches du lien

E=y^(-1)*I;

// On calcule les sources mailles des tensions provoquées par la liaison des sous-schémas

e=A*E;

// On calcule les accroissements des courants mailles provoqué par la liaison des sous-schémas

dik1=ym1*e(1:4); dik2=ym2*e(5:8); dik3=ym3*e(9:13);

// Le calcul des courants définitifs mailles dans le schéma

i1=im1+dik1; i2=im2+dik2; i3=im3+dik3;

iv1=C1*i1;

print(%io(2),iv1); //pour Scilab5

 

Le résultat:

iv1  =

     0.2331350 

    0.0923809 

    0.1407541 

  - 0.0861507 

  - 0.0028304 

  - 0.0574338 

 

Pour le contrôle nous amènerons le calcul du même schéma sans division en les parties

 

clear;

// 1 2 3 4 5 6 7  8 9 10 11 12 13 14 15 16 17 18 19 20 21 22 23 24 25 26 27 28 29 30

z=[1,0,0,0,0,0,  0,0,0,0, 0, 0, 0, 0,   0,  0, 0, 0, 0, 0, 0, 0, 0,  0, 0,    0, 0, 0, 0, 0; //1

     0,2,0,0,0,0,  0,0,0,0, 0, 0, 0, 0,   0,  0, 0, 0, 0, 0, 0, 0, 0,  0, 0,    0, 0, 0, 0, 0; //2

     0,0,3,0,0,0,  0,0,0,0, 0, 0, 0, 0,   0,  0, 0, 0, 0, 0, 0, 0, 0,  0, 0,    0, 0, 0, 0, 0; //3

     0,0,0,4,0,00,0,0,0, 0, 0, 0, 0,   0,  0, 0, 0, 0, 0, 0, 0, 0,  0, 0,    0, 0, 0, 0, 0;//4

     0,0,0,0,5,00,0,0,0, 0, 0, 0, 0,   0,  0, 0, 0, 0, 0, 0, 0, 0,  0, 0,    0, 0, 0, 0, 0;//5

     0,0,0,0,0,60,0,0,0, 0, 0, 0, 0,   0,  0, 0, 0, 0, 0, 0, 0, 0,  0, 0,    0, 0, 0, 0, 0;//6

     0,0,0,0,0,0,  1,0,0,0, 0, 0, 0, 0,   0,  0, 0, 0, 0, 0, 0, 0, 0,  0, 0,    0, 0, 0, 0, 0;//7

     0,0,0,0,0,0,  0,2,0,0, 0, 0, 0, 0,   0,  0, 0, 0, 0, 0, 0, 0, 0,  0, 0,    0, 0, 0, 0, 0;//8

     0,0,0,0,0,0,  0,0,3,0, 0, 0, 0, 0,   0,  0, 0, 0, 0, 0, 0, 0, 0,  0, 0,    0, 0, 0, 0, 0;//9

     0,0,0,0,0,00,0,0,4, 0, 0, 0, 0,   0,  0, 0, 0, 0, 0, 0, 0, 0,  0, 0,    0, 0, 0, 0, 0;//10

     0,0,0,0,0,0,  0,0,0,0, 5, 0, 0, 0,   0,  0, 0, 0, 0, 0, 0, 0, 0,  0, 0,    0, 0, 0, 0, 0;//11

     0,0,0,0,0,0,  0,0,0,0, 0, 6, 0, 0,   0,  0, 0, 0, 0, 0, 0, 0, 0,  0, 0,    0, 0, 0, 0, 0;//12

     0,0,0,0,0,0,  0,0,0,0, 0, 0, 7, 0,   0,  0, 0, 0, 0, 0, 0, 0, 0,  0, 0,    0, 0, 0, 0, 0;//13

     0,0,0,0,0,0,  0,0,0,0, 0, 0, 0, 8,   0,  0, 0, 0, 0, 0, 0, 0, 0,  0, 0,    0, 0, 0, 0, 0;//14

     0,0,0,0,0,0,  0,0,0,0, 0, 0, 0, 0,   1,  0, 0, 0, 0, 0, 0, 0, 0,  0, 0,    0, 0, 0, 0, 0;//15

     0,0,0,0,0,0,  0,0,0,0, 0, 0, 0, 0,   0,  2, 0, 0, 0, 0, 0, 0, 0,  0, 0,    0, 0, 0, 0, 0;//16

     0,0,0,0,0,0,  0,0,0,0, 0, 0, 0, 0,   0,  0, 3, 0, 0, 0, 0, 0, 0,  0, 0,    0, 0, 0, 0, 0;//17

     0,0,0,0,0,0,  0,0,0,0, 0, 0, 0, 0,   0,  0, 0, 4, 0, 0, 0, 0, 0,  0, 0,    0, 0, 0, 0, 0;//18

     0,0,0,0,0,0,  0,0,0,0, 0, 0, 0, 0,   0,  0, 0, 0, 5, 0, 0, 0, 0,  0, 0,    0, 0, 0, 0, 0;//19

     0,0,0,0,0,0,  0,0,0,0, 0, 0, 0, 0 0,  0, 0, 0, 0, 6, 0, 0, 0,  0, 0,    0, 0, 0, 0, 0;//20

     0,0,0,0,0,0,  0,0,0,0, 0, 0, 0, 0,   0,  0, 0, 0, 0, 0, 7, 0, 0,  0, 0,    0, 0, 0, 0, 0;//21

     0,0,0,0,0,0,  0,0,0,0, 0, 0, 0, 0,   0,  0, 0, 0, 0, 0, 0, 8, 0,  0, 0,    0, 0, 0, 0, 0;//22

     0,0,0,0,0,0,  0,0,0,0, 0, 0, 0, 0,   0,  0, 0, 0, 0, 0, 0, 0, 9,  0, 0,    0, 0, 0, 0, 0;//23

     0,0,0,0,0,0,  0,0,0,0, 0, 0, 0, 0,   0,  0, 0, 0, 0, 0, 0, 0, 0, 10, 0,   0, 0, 0, 0, 0;//24

     0,0,0,0,0,0,  0,0,0,0, 0, 0, 0, 0,   0,  0, 0, 0, 0, 0, 0, 0, 0,  0, 11,  0, 0, 0, 0, 0;//25

     0,0,0,0,0,0,  0,0,0,0, 0, 0, 0, 0,   0,  0, 0, 0, 0, 0, 0, 0, 0,  0, 0,    1, 0, 0, 0, 0;//26

     0,0,0,0,0,0,  0,0,0,0, 0, 0, 0, 0,   0,  0, 0, 0, 0, 0, 0, 0, 0,  0, 0,    0, 1, 0, 0, 0;//27

     0,0,0,0,0,0,  0,0,0,0, 0, 0, 0, 0,   0,  0, 0, 0, 0, 0, 0, 0, 0,  0, 0,    0, 0, 1, 0, 0;//28

     0,0,0,0,0,0,  0,0,0,0, 0, 0, 0, 0,   0,  0, 0, 0, 0, 0, 0, 0, 0,  0, 0,    0, 0, 0, 1, 0;//29

     0,0,0,0,0,0,  0,0,0,0, 0, 0, 0, 0,   0,  0, 0, 0, 0, 0, 0, 0, 0,  0, 0,    0, 0, 0, 0, 1];//30

 

 //   1  2  3  4  5  6  7  8  9 10 11 12 13

C=[ 1, 0, 0, 0, 0, 0, 0, 0, 0, 0, 0,   0, 0; //

      0, 0, 1, 0, 0, 0, 0, 0, 0, 0, 0,   0, 0; //2

      1, 0,-1, 0, 0, 0, 0, 0, 0, 0, 0,   0, 0; //3

    -1, 1, 0, 0, 0, 0, 0, 0, 0, 0, 0,    0, 0; //4

      0, 0,-1, 1, 0, 0, 0, 0, 0, 0, 0,   0, 0; //5

      0,-1, 0, 1, 0, 0, 0, 0, 0, 0, 0,   0, 0; //6

      0, 0, 0, 0, 0, 0, 1, 0, 0, 0, 0,   0, 0; //7

      0, 0, 0, 0, 1, 0, 0, 0, 0, 0, 0, 0, 0; //8

      0, 0, 0, 0,-1, 0, 1, 0, 0, 0, 0, 0, 0; //9

      0, 0, 0, 0, 1, 0, 0, 0, 0, 0, 0, 0, 0; //10

      0, 0, 0, 0, 0, 0,-1, 1, 0, 0, 0, 0, 0; //11

      0, 0, 0, 0,-1, 1, 0, 0, 0, 0, 0, 0, 0; //12

      0, 0, 0, 0, 0,-1, 0, 1, 0, 0, 0, 0, 0; //13

      0, 0, 0, 0, 0, 1, 0, 0, 0, 0, 0, 0, 0; //14

      0, 0, 0, 0, 0, 0, 0, 0, 0, 0, 1, 0, 0; //15

      0, 0, 0, 0, 0, 0, 0, 0, 0, 0,-1, -1, 0; //16

      0, 0, 0, 0, 0, 0, 0, 0, 0, 0, 0, 1,-1; //17

      0, 0, 0, 0, 0, 0, 0, 0, 0, 0, 0, 0, 1; //18

      0, 0, 0, 0, 0, 0, 0, 0, 1, 0, 1, 0, 0; //19

      0, 0, 0, 0, 0, 0, 0, 0, 0, 1, 0, 1, 0; //20

      0, 0, 0, 0, 0, 0, 0, 0, 1, 0, 0, 0, 0; //21

      0, 0, 0, 0, 0, 0, 0, 0, 1, 1, 0, 0, 0; //22

      0, 0, 0, 0, 0, 0, 0, 0, 0, 1, 0, 0, 0; //23

      0, 0, 0, 0, 0, 0, 0, 0, 1, 0, 0, 0, 0; //24

      0, 0, 0, 0, 0, 0, 0, 0, 0, 1, 0, 0, 0; //25

      0, 0, 1, 0, 0, 0, 1, 0, 0, 0, 0, 0, 0; //26

      0, 0, 0, 1, 0, 0, 0, 1, 0, 0, 0, 0, 0; //27

      0, 0, 0, 1, 0, 0, 0, 0, 0, 0, 1, 0, 0; //28

      0, 0, 0, 0, 0, 0, 0, 1, 0, 0, 0, 1, 0; //29

      0, 0, 0, 0, 0, 1, 0, 0, 0, 0, 0, 0, 1];//30

//    1 2 3 4 5 6 7 8 9 10 11 12 13 14 15 16 17 18 19 20 21 22 23 24 25 26 27 28 29 30

ev=[1,0,0,0,0,0,1,0,0, 0, 0, 0,   0, 0,  1,  0, 0, 0 0, 0,  0,  0,  0,  0, 0,  0,  0,  0,  0,  0]; //1

 

zk=C'*z*C;

ek=C'*ev';

ik=zk^(-1)*ek;

iv=C*ik;

 

print(%io(2),iv(1:6));

 

 

Nous voyons le même résultat:

 

   0.2331350 

    0.0923809 

    0.1407541 

  - 0.0861507 

  - 0.0028304 

  - 0.0574338 

 

 

 

 

e-mail: dia-connect@hotmail.com

Change date : 22.05.2014